
空气直压式
空气直压式 / AFP-3气动夹管阀

针对传统真空集便器夹管阀长期闭合后橡胶弹性衰减的行业痛点,我们成功研发出革命性解决方案!通过独创的环形支撑结
构与柔性补偿设计,彻底攻克橡胶管受压形变后难以完全复原的难题——即使在持续闭合90天后,阀门通量仍可瞬间恢复至95%,近乎零损耗的动态性能远超传统产品。经实验室严苛验证,产品在极端工况下仍能保持卓越气密性,且使用寿命突破50万次开闭循环。
这项创新不仅大幅降低维护频率,更确保真空系统长期稳定运行,为轨道交通、航空船舶等严苛场景提供可靠保障。
以匠心设计重塑行业标准,让每一次启闭都精准如初!
主要技术参数
推荐使用环境温度:-30~60℃
气室密闭承压:0.8MPa
关闭气压:0.25MPa
阀体最大承压:0.6MPa
开关寿命:≥50万次
重量:1.4Kg
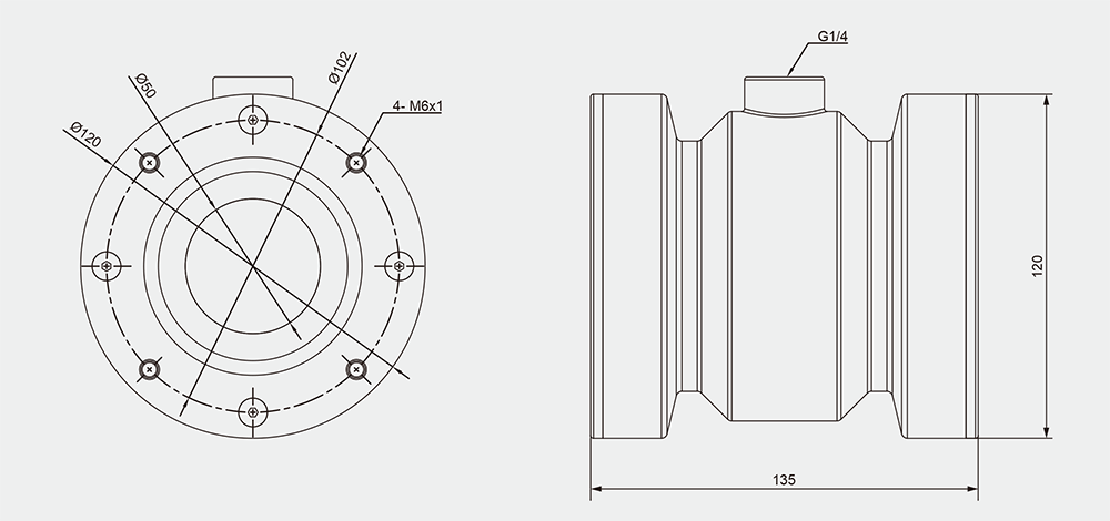
尺寸参数

